愛普生內建電源自動偵測切換電路即時時鐘解決方案vs. 標準通用型即時時鐘IC間設計差異說明
【序文】
一般來說,即時時鐘是透過石英晶體諧振器的持續振盪以維持日曆和時間的資料。因此,主電源關閉或異常的情況下,需要使用備用電池以防止時間資料流失;設計備用電池切換電路時,主電源與備用電池切換需在適當時間進行。
防止資料流失有兩種方式:首先是電源管理大型積體電路LSI (large scale integration),但它的價格昂貴且占據電路板很多空間,因此追求低成本及簡便,未能夠支援電源偵測和切換功能所使用標準電路設計,大多會採用由兩個二極體組成,用於當工作電源和備用電池電源間之電源電路切換,如【圖一】。

【圖一】透過外掛二極體或電路組成的電源開關電路,因二極體順向偏壓產生電壓損失
然而使用二極體所組成的電源切換電路,存在幾個難以控制的技術問題。本文將說明二極體組成的電源切換電路所導致的技術問題,多款愛普生即時時鐘模組( Real Time Clock Module )除了提供自身極低消費電流,並可有效改善此電源使用效能問題,來延長工作或待機時間。
【1】 電池能量損耗
外掛二極體所造成的電壓損耗具有兩大特性。一個是 ”VF” 順向偏壓(Forward Bias Voltage),另一個是逆向漏電電流(IR)。一般來說,二極體的順向偏壓(VF)約為0.6[V]左右,當主電源為3.0V,電壓通過二極體的電壓將降為2.4[V](圖一),當使用可充電電池或超級電容(EDLC)進行充電時,這種電壓降會導致充電電壓降低,從而縮短了備用電池,當被充電後的續電能力。
基於上述原因,不少硬體工程師會使用低偏壓壓降損失的肖特基二極體,但肖特基二極體的逆向漏電電流值較大,如果逆向漏電電流” IR ” ( reverse leak current )較大,當主電源關閉時,電流會從電池流向0V主電源,並且可能會消耗電池,如下【圖二】,

【圖二】主電源關閉時逆電流(IR)導致的漏電(虛線)
此外,肖特基二極體的溫度特性,為正溫度特性,當溫度越高逆向漏電電流(IR)容易隨著環境溫度升高而急遽變大【表一】。

【表一】肖特基二極體/逆向漏電電流(IR)溫度特性
基於這些原因,電路設計工程人員便需要考量產品的工作溫度範圍,選擇與產品整體條件相匹配的VF和 IR平衡下,較佳的二極體規格,但要找到這種設計平衡並非是件易事,除非擁有經年豐富類比電路設計經驗。
【2】 MPU和RTC資料存取時,易存在潛在風險
二極體的順向偏壓(VF)會導致MPU和RTC的電源電壓之間產生電位差。
如果MPU在此狀態下讀取即時時鐘資料時,來自MPU的輸入電壓可能會超過 RTC 的輸入電壓額定值。當超過額定值時,內部暫存器可能會發生潛在風險,這是CMOS積體電路設計時的常見問題。此外,它還可能影響I/F輸入、Output Enable(OE)的輸入控制電壓,和CMOS輸出端的上拉電阻電壓位準。
一般情況下,CMOS半導體的最大輸入電壓僅Vdd+0.3[V]以下。因此,即時時鐘的+2.4[V]與MPU的+3.0[V]之間的電位差可能具有上述風險,如【圖一】。
為了避免這些風險,就需要使用順向偏壓(VF)較低的肖特基二極體,但同時也面臨著電池電流流向主電源的問題。
【3】 例,Epson RX-8111CE內建電源偵測和自動切換電路功能內部設計,
Epson RX-8111CE電源設計,和各種電源模式內部電路切換,和電流流向參考資料


RX8111CE內建電源切換電路
RX8111CE內部的電源切換電路是針對上述二極體組成的電源切換電路設計風險所提供的解決方案。
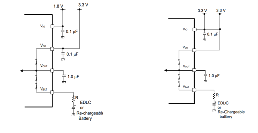
即時時鐘模組採用了三個內部電源切換開關(Switch),可使電流在不通過內部二極體,產生順向偏壓造成電壓損失的情況下,讓Epson即時時鐘模組工作。此外,愛普生的即時時鐘模組進行電路設計時,不需設計外部二極體,僅需搭配少許的旁路電容,用於VDD與VOUT或VIO引腳,可有效利用電路板空間,並減少零件物料設計成本。
相關外部電源使用條件時,參考設計。
範例一、當VIO與VDD不同的電路設計 範例二、當VIO與VDD相同的電路設計
範例三、非可充電電池的電路設計 範例四、不需備用電池時電路設計
