2024-3月份電子報 電路信號輸出

雅士博科技
電路信號輸出

   1.CMOS

「互補式金屬氧化物半導體」(Complementary Metal-Oxide- Semiconductor,CMOS,簡稱互補式金氧半導體)是一種積體電路製程,可在矽晶圓上製作出PMOS(P-channel MOSFET)和NMOS(N-channel MOSFET)元件,由於PMOS與NMOS在特性上為互補性,因此稱為CMOS。此製程可用來製作微處理器(microprocessor),微控制單元 (microcontroller),靜態隨機存取記憶體(SRAM)與其他數位邏輯電路。

簡單來說,CMOS電路就是在同一基體上建立PMOS和NMOS來達成一個邏輯電路。而且由NMOS組成的電路在相同的輸入值情況下會得到互補的結果,這種結構稱為互補式MOS。它具有相當高的輸入阻抗,很快的切換速度,低功率消耗。

CMOS具有只有在電晶體需要切換開關時才需耗能的優點,因此非常省電且發熱少。早期的唯讀記憶體(ROM)主要就是以這種電路製作,由於當時電腦系統的BIOS程式和參數資訊都保存在ROM中,以 致在很多情況下當人們提到「CMOS」時,實際上指的是電腦的BIOS單元,而「設定CMOS」就是意指在設定BIOS。

   2.TTL

電晶體-電晶體邏輯英語:Transistor-Transistor Logic,縮寫為TTL),是市面上較為常見且應用廣泛的一種邏輯閘數字積體電路,由電阻器三極體而組成。TTL最早是由德州儀器所開發出來的,現雖有多家廠商製作,但編號命名還是以德州儀器所 公佈的資料為主。其中最常見的為74 系列。

與TTL分庭抗禮的是CMOS, 舊時兩者相比較TTL主要是速度快,CMOS則是速度慢,但省電、成本比TTL低。隨著CMOS技術的進步,其回應速度已經超越TTL。而且CMOS內部 不具有製作麻煩的電阻,所以TTL可說幾乎沒有發展。目前TTL主要應用於教育或是較簡單的數位電路。

目前EPSON對應TTL訊號產品已停產。

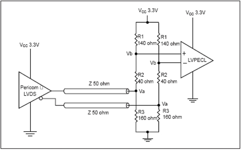
   3.LVDS

低電壓差動訊號傳輸(LVDS)

低電壓差動訊號(LVDS)是「Low-Voltage Differential Signaling」四個英文字的簡稱。誠如文辭上的兩個關鍵字「低電壓」與「差動信號」已經點出此介面的內在精髓。 

低電壓的搖擺起伏本質上就隱含了比較短的信號轉換時間、差動信號可以降低EMI電磁干擾,對於雜訊的免疫力(Noise Immunity)較佳。 

因此,LVDS係一電流型,一種用來高速傳輸大量資料的電路,適用於解析度高於SVGA的TFT LCD顯示裝置,以及光纖通訊及電子交換裝置的介面上。說是一門針對高速資料通信的新技術,也說得過去。 

LVDS技術是應用在簡單的線性驅動器與接收器實體層級器件中,以及更複雜的介面通訊晶片組中。通道連結晶片組多路傳輸與解多路傳輸會降低TTL訊號線的速度,以提供一個精細、高速、低耗電的LVDS介面。這些晶片組可顯著降低系統的連接線與連接插頭的成本,也可以減少連接插頭佔用的實體空間。

LVDS於1994年由美國國家半導體公司提出的一種信號傳輸模式,它是一種標準,它在提供高資料傳輸率的同時會有很低的功耗,另外它還有許多其他的優勢:

1、低電壓電源的相容性

2、低雜訊

3、高雜訊抑制能力

4、可靠的信號傳輸

5、能夠集成到系統級IC內

使用LVDS技術的的產品資料速率可以從幾百Mbps到2Gbps。它是電流驅動的,通過在接收端放置一個負載而得到電壓,當電流正向流動,接收端輸出為1,反之為0,而他的擺幅為250mv-450mv。

   4.LV-PECL

(低壓正發射極耦合邏輯)

LVPECL使用3.3V或2.5V電源,LVPECL是由PECL演變而來的,PECL即 Positive Emitter-Couple Logic,也就是正發射極耦合邏輯的意思,使用5.0V電源,而PECL是由ECL演變而來的,ECL即Emitter-Couple Logic,也就是 發射極耦合邏輯,ECL有兩個供電電壓VCC和VEE。當VEE接地時,VCC接正電壓時,這時的邏輯稱為PECL;當當VCC接地時,VEE接負電壓時,這時的邏輯成為NECL,VEE一般接-5.2V電源;一般狹義的ECL就是指NECL

 

ECL/PECL/LV-PECL邏輯的優點︰

 

1. 輸出阻抗低(6~8ohm),輸出阻抗高(可以看作無窮大),所以驅動能力特別強,它可以驅動50~130ohm特徵阻抗的傳輸線而交流特性並沒有明顯的改變。由於驅動能力強,所以支持更遠距離的傳輸,所以背板走線或長線 纜傳輸基本上都使用ECL邏輯。

2. ECL器件對電壓和溫度的變化不如TTL和CMOS器件敏感,ECL時鐘驅動器產生的各路時鐘的並發性更好,skew更小。

ECL/PECL/LVPECL邏輯的缺點︰


    跟它的優點一樣,ECL的缺點也很明顯,那就是功耗大,噪聲容限小,抗干擾能力弱。ECL電路的邏輯擺幅只有0.8V,直流噪聲容限只有200mV。可以說,ECL的高速性能是用高功耗、低噪聲容限為代價換來的。
LVDS、PECL、LVPECL、CML和RS-422介面的電壓規範。

VoH:邏輯閘輸出高電位時,保證的最低電壓,也就是說,高電位輸出電壓一定大於等於VoH。

VoL:邏輯閘輸出低電位時,保證的最高電壓,也就是說,低電位輸出電壓一定小於等於VoL。

Vpp:peak to peak的電壓,也就是交流電的振幅

Vos :電壓偏移

本公司為 EPSON 石英及頻控類產品及IC專業代理商,關於各類相關產品,以上僅做簡單介紹,如有任何問題,歡迎隨時洽詢本公司,本公司必定指派專人為您做進一步解說及服務。
ARGO Technology Co., Ltd.
6F-4, No.81, Sec. 1, Xintai 5th Rd.,Xizhi Dist., New Taipei City 221432, Taiwan
雅士博科技股份有限公司
221432新北市汐止區新台五路一段81號6樓之4
Tel: 886-2-26980598  Fax: 886-2-26980597
本公司產品相關網頁
Crystal Units, Oscillators, TCXO, VCXO, VCTCXO, OCXO, SAW Filter, Ceramic Resonators/Filters
Patch Antenna, Chip Antenna, BPF (Band Pass Filter), E-Compass Sensor, SDARS Antenna, Bluetooth Antenna, DVB-T Antenna, TCXO for GPS, GYRO Sensor, SAW Filter, ESD Varistor, EMI/ESD Filter, GPS Module
TPS (Temperature Power Sensor ), Disk Type Thermostat, Thermal Protectors, Infrared Detectors, Crystal Type Sensor, Air Pressure Sensor, Pressure Sensor, Humidity Sensor
Coreless DC Micro Vibration Motors, DC Brushless Motors, Piezoelectric Ceramic Elements & Parts, Ultrasonic Sensors Piezoceramic Transducers, Ceramic Gas Discharge Tubes, Transient Voltage Suppressor (Varistors), Mini Slide Switch, Tactile Switch
本公司關係企業及子公司
ARGOTECH Electronic Co., Ltd. (Shanghai)
Tel: 86-21-6486-0464 Fax: 86-21-5424-2271
ATC Electronic Co., Ltd. (Shenzhen)

Tel: 86-755-8319-0333 Fax: 86-755-8302-4150

E-Mail: argosales@argotech.com.tw


2024-04-11